上海恒點傳動設備有限公司
加微信聯系 恒點減速機QQ2:51228482
[HTML] [XML]  産品展示産品展示-RSS  新聞中心新聞中心-RSS  技術支持技術支持-RSS
産品分類: 減速機蝸輪絲杆升降機轉向箱蝸輪蝸杆減速機齒輪減速機行星齒輪減速機擺線針輪減速機無級變速機大功率減速器
上海恒點傳動設備有限公司
資訊分類
和産品相關的技術文章
當前位置:網站首頁 > 技術支持 > P系列行星減速機有幾種輸入方式?[N,S,L,K]

P系列行星減速機有幾種輸入方式?[N,S,L,K]

Tags: P系列行星齒輪減速器    發布時間: 2013-11-08
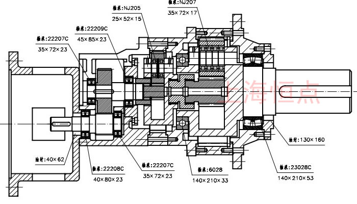
   P系列行星減速機有幾種輸入方式?
   答:常用的有四種. N,标準型(同心輸入); S,斜齒輪級; L,錐齒輪級; K,錐齒-斜齒輪級.這四種方式,組合後速比逐漸增大.具體的參見選型參數表.
   爲瞭直觀的瞭解各型号的區别,下面以圖例的方式向大家介紹下.
   1: N,标準型(同心輸入);
     N,标準型輸入-P行星減速機

   2: S,斜齒輪級

     S,斜齒輪 P行星減速機的輸入

   3: L,錐齒輪級

     錐齒輪輸入-P行星減速機 

   4: K,錐齒-斜齒輪級   其實這是S與L的組合輸入方式,如下圖

     錐齒-斜齒輪級 P行星減速機的輸入
上一篇 上一篇: 防爆電機是不會爆炸的電機嗎?
下一篇 下一篇: P系列行星減速機的輸出方式有哪幾種?
相關新聞文章 > 查看更多
O型圈損壞的原因和措施-工作條件不當 2026-02-06
工業齒輪油在使用中應注意什麽? 2025-06-19
錐齒輪承載能力計算方法第 2 部分:齒面接觸疲勞(點蝕)強度計算潤滑油膜影響系數ZL、ZV、ZR(GB/T10062.2-2003) 2025-05-13
平面二次包絡環面蝸杆減速器系列、潤滑和承載能力減速器的潤滑(GB/T16444-1996) 2025-03-26
什麽是軸承的互換性 2024-12-23
什 麽 是 滾 動 軸 承 2024-12-17
什麽是軸承的特征壽命 2024-10-29
步進電機的外表溫度允許達到多少? 2024-09-16
圓柱齒輪檢驗實施規範第2部分:徑向綜合偏差、徑向跳動、齒厚和側隙的檢驗徑向跳動的測量 、偏心量的確定(GB/Z18620.2-2002) 2024-08-22
漸開線圓柱齒輪精度齒輪副的檢驗和要求、側隙(GB10095-88) 2024-07-18
圓弧圓柱齒輪精度精度等級、齒坯要求(GB/T15753-1995) 2024-05-21
輥道電機減速器産品分類(JB/T5562-91) 2024-04-19
返回頂部 關閉本頁】 【打印本頁
電 話:021-22815912  021-22816186  傳 真:021-32050712   郵箱:sales@021jsj.cn  減速機 絲杆升降機 轉向箱 蝸輪蝸杆減速機
Copyright©2009-2026上海恒點傳動設備有限公司 版權所有  地址:上海市金山區亭林鎮林寶路39号  郵編:200442  滬ICP備10206998号-2 
友情鏈接機械設備網 | 渦街流量計 | 輸送機 | 變頻控制櫃 | 破碎機 | 工業同城 | 手持終端 | 柴油發電機 | uv平闆打印機 | 風淋室 | QUV | 防火門 | 九愛圖紙 | 感應加熱設備 | 輸送帶廠家 | 噪聲治理 | 西門子plc | 拖鏈電纜 | AGV | 機械雜志 | 現代機械 | UWB高精度定位 |